Categories
Categories
- Home
- Roll Forming Machines
- Guard Rail Forming Line
- W300- GUARD RAIL ROLL FORMING MACHINE
W300- GUARD RAIL ROLL FORMING MACHINE
Product Description
GUARD RAIL ROLL FORMING MACHINE
Model: W300
CONTAIN
1 – WORK PIECE DRAWING & SAMPLE
2 – MACHINE LAYOUT & LINE PROCESS
3 – TECHNICAL SPECIFICATION
4 – MACHINE PHOTOS
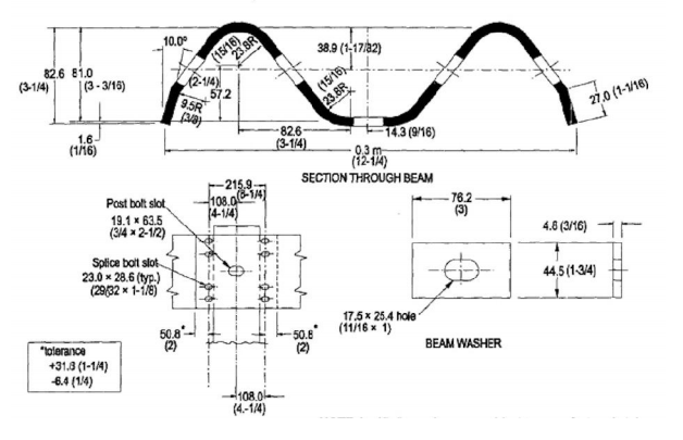
Work piece drawing:

Work piece Samples:


Machine Lay out and Line Process:

Transmission System Lay out:

Technical Specification
1 ‐ Hydraulic de‐coiler
Single unrolling machine, one side can put material Adopt automatic hydraulic system
- Coil weight (Max): 3000kg
- Coil dia. (Max): 1600mm
- Oil cylinder dia.: 1200mm
- Working pressure: 10mpa
- Coil Width (Max.): 500mm
2‐ Feeding, Leveling
Feed into unit oriented wheel (can right and left adjust) Into feeding roller,
DIA. is ¢180mm, material 45# steel, quenched 48°‐52°, chromed Leveling is three
roller above and four roller below, quenched and chromed
3‐ Punching (can right and left adjust)
Using hydraulic punching oil cylinder
DIA: ¢140mm
Working pressure: 20mpa
Mould material: Cr12 quenched 58°‐62°
Hydraulic power: 7.5kw
Size: 1.5m long*1.1m wide*1.2m high
4 ‐ Roll Forming Machine
1. Matching material: according to the drawing
2. Material thickness range: 2.0‐3.0mm
3. Main motor power: 30 KW
4. Forming speed: 2‐4m/min (include the punching and cutting time)
5. Hydraulic station power: 22KW
6. Quantity of stands: about 13
7. Shaft Material and diameter: ¢80 mm, material is 40CR
8.Material Of The Stations: pig iron
9.Tolerance: 3m+‐1.5mm
10.Way Of Drive: Gearbox
11. Controlling system: PLC
12.Material of forming rollers: Gcr 15, coated with chromed treatment
5‐ Cutting Machine
Hydraulic cut
Knife material: Cr12, quenched 58°‐62°
Oil cylinder dia.: 250mm
Working pressure: 30mpa
Working journey: 80mm
6‐ The Outside size and waight:
L*W*H 12m*1.5m*1.2m
Total weight: about 8 Tons
7‐ Run out table
Jointed by 60mm*40mm tube (can be adjusted to up and down)
Size:1.5m long*0.8m wide*0.6‐1m high (can be adjusted)
8‐ Control system
- Voltage, Frequency, Phase: 380 V, 50 Hz, 3Phase (depend on the customer)
- Automatic length measurement: one unit tooling of length measuring Which is lightly pressed on the surface of the steel sheet; the tolling will Roll with the moving speed of the steel sheet and then sense to measure Its length.
- Automatic quantity measurement
- Computer used to control length & quantity. Machine will automatically
- Cut to length and stop when required quantity is achieved Length inaccuracy can be amended easily.
- Control panel: Button‐type switch, LED display length and quantity
- Unit of length: millimeter and inch (switched on the control panel)
Machine Photos:

Loading... Please wait...